Support

Lorem ipsum dolor sit amet:

24h / 365days

We offer support for our customers

Mon - Fri 8:00am - 5:00pm (GMT +1)

Get in touch

Cybersteel Inc.
376-293 City Road, Suite 600
San Francisco, CA 94102

Have any questions?
+44 1234 567 890

Drop us a line
info@yourdomain.com

About us

Lorem ipsum dolor sit amet, consectetuer adipiscing elit.

Aenean commodo ligula eget dolor. Aenean massa. Cum sociis natoque penatibus et magnis dis parturient montes, nascetur ridiculus mus. Donec quam felis, ultricies nec.

+49 (0)7144 / 887753-0

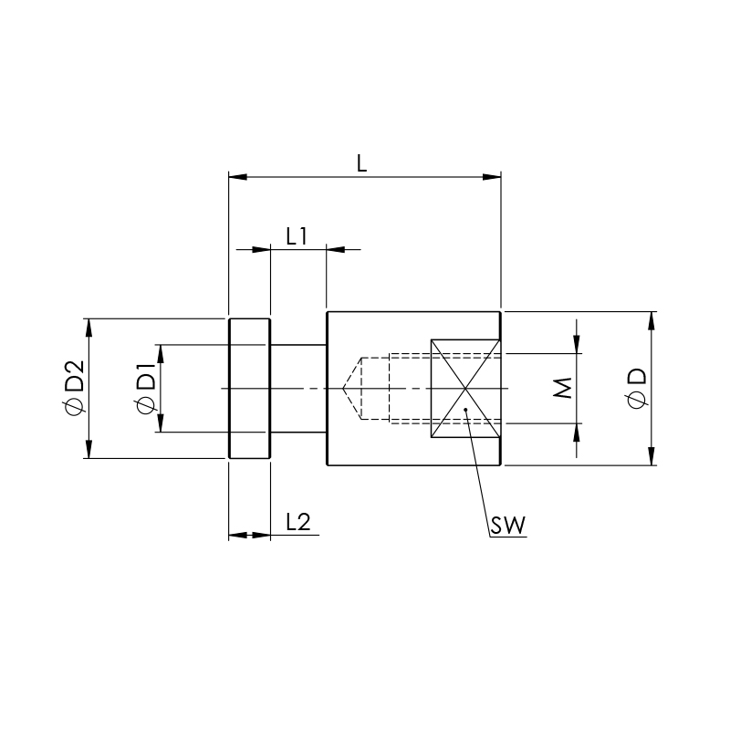
Ausgleichs-Kupplungsbolzen B-_-KB-5000

Bezeichnung Größe D D1 D2 L1/H11 L2/d11 SW1 M Ident-Nr.
JAK-B-05-KB-5000 05 12 6 10 4,5 3,5 10 M5 5000-0005
JAK-B-06-KB-5000 06 15 8 12,5 5 4 12 M6 5000-0006
JAK-B-08-KB-5000 08 18 10 16 6 5 14 M8 5000-0008
JAK-B-10-KB-5000 10 22 12,5 20 8 6 17 M10x1,25 5000-0010
JAK-B-12-KB-5000 12 28 16 25 10 8 22 M12x1,25 5000-0012
JAK-B-16-KB-5000 16 38 20 32 12 10 30 M16x1,5 5000-0016
JAK-B-20-KB-5000 20 45 25 40 14,5 12,5 36 M20x1,5 5000-0020

CAD-Daten anfordern:


Copyright © Jakoma GmbH
Customize this text in the file mod_cookiebar.html5. More info
Got it!